Lar > Produtos > Parafuso > Parafuso de cabeça hexagonal > Parafusos sextavados pretos BS
        Parafusos sextavados pretos BS
        • Parafusos sextavados pretos BSParafusos sextavados pretos BS
        • Parafusos sextavados pretos BSParafusos sextavados pretos BS

        Parafusos sextavados pretos BS

        Os parafusos sextavados pretos BS são fixadores comumente usados ​​com roscas que atendem aos padrões BS e superfícies que foram submetidas a tratamento de prevenção de ferrugem preta. China Xiaoguo® aceita compra em massa deles. Nossos preços são baixos garantindo a qualidade dos produtos. Basta nos informar suas necessidades e forneceremos o orçamento mais preciso de acordo com suas necessidades. A compra está disponível a qualquer momento.
        Modelo:BS 916-1953

        Enviar consulta

        Descrição do produto

        Parafusos sextavados pretos BSsão parafusos que atendem ao padrão britânico BS 916-1953. Este tipo de parafuso é amplamente utilizado. Seja fabricando um item pequeno em casa ou montando um equipamento grande em uma fábrica, você pode encontrar a especificação certa.


        Detalhes e parâmetros do produto

        Ao montar equipamentos mecânicos na fábrica,Parafusos sextavados pretos BSé frequentemente usado. Para equipamentos de grande porte, como máquinas-ferramentas e guindastes, a conexão das peças precisa ser muito firme. Portanto, tais parafusos são escolhidos para garantir que o equipamento opere de forma estável e não funcione mal devido a componentes soltos.


        Em ambiente industrial, este parafuso pode garantir o funcionamento normal da linha de produção. Os revestimentos de óxido podem evitar vazamentos de óleo. Eles podem garantir a segurança de máquinas pesadas e evitar que elas desliguem devido a parafusos soltos.


        Todos os entusiastas do faça você mesmo gostam de usar parafusos sextavados BS na garagem. Quer se trate de construir prateleiras, reparar ferramentas de jardinagem ou consertar porta-bicicletas, todos são muito adequados. A superfície preta combina perfeitamente com a superfície escura. Não haverá incompatibilidade de rosca nas dimensões BS.


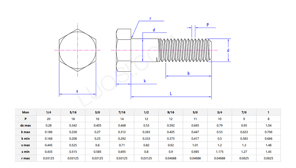
        BS black hex bolts parameters


        Cenário de aplicação

        Parafusos sextavados pretos BStem a característica de resistência à corrosão. Eles são frequentemente usados ​​em bancos, equipamentos de ginástica e outdoors que ficam constantemente expostos às intempéries do parque. Eles podem ser usados ​​por muito tempo e não são propensos a ferrugem e danos.


        Material do produto

        Os parafusos sextavados pretos BS são feitos de materiais que priorizam durabilidade e praticidade para uso geral. O material mais comum é o aço carbono, especificamente o aço carbono médio. Este tipo de aço equilibra resistência e economia, tornando-o adequado para a maioria das aplicações industriais leves e cotidianas, como fixação de estruturas de madeira, suportes de metal ou peças de máquinas leves. Para cenários que necessitam de melhor resistência à corrosão em ambientes secos, algumas variantes utilizam aço carbono de baixa liga. O material passa primeiro por um processo de forjamento, o que melhora sua integridade estrutural, tornando os parafusos menos propensos a dobrar ou quebrar sob pressão. Antes do processamento posterior, a matéria-prima é verificada quanto a defeitos básicos, como rachaduras ou irregularidades. Estas escolhas de materiais estão em conformidade com os requisitos BS (British Standard), garantindo consistência e confiabilidade para uso regular.

        Tratamento de superfície do produto

        O tratamento de superfície dos BS Black Hex Bolts é focado na proteção e funcionalidade. O principal processo é o revestimento de óxido preto, também chamado de escurecimento. Isso envolve mergulhar os parafusos em uma solução química que forma uma fina camada preta de óxido na superfície. A principal função da camada é evitar a ferrugem em ambientes secos ou internos, o que ajuda a prolongar a vida útil do parafuso. Ele também adiciona uma leve resistência ao desgaste, fazendo com que os parafusos resistam melhor durante a instalação ao usar chaves. Ao contrário dos revestimentos mais espessos, esta camada de óxido não afeta o ajuste do parafuso com porcas ou furos roscados. Após o escurecimento, os parafusos são completamente secos para remover qualquer umidade remanescente, reduzindo o risco de formação de ferrugem. Este tratamento de superfície é simples, mas eficaz, combinando com o uso geral desses parafusos sem complexidade extra.  

        Sessão de perguntas e respostas

        P: Qual é o prazo de entrega para pedidos em grandes quantidades de parafusos sextavados pretos BS e você fornece serviços de amostras grátis?

        Para parafusos sextavados pretos BS de tamanho padrão, o prazo de entrega para pedidos em grandes quantidades é de 5 a 10 dias úteis, enquanto as especificações personalizadas levam de 10 a 15 dias úteis, dependendo do volume e da complexidade do pedido. Fornecemos serviços de amostras grátis para todos os modelos de parafusos sextavados pretos BS - você só precisa cobrir o custo de envio. Cada amostra é feita com os mesmos materiais e processos de produção dos pedidos em grandes quantidades, permitindo testar a qualidade e a compatibilidade antes de fazer um pedido grande.    



        Hot Tags: Parafusos sextavados pretos BS, China, fabricante, fornecedor, fábrica
        Categoria Relacionada
        Enviar consulta
        Por favor, sinta-se livre para dar o seu inquérito no formulário abaixo. Responderemos em 24 horas.
        X
        Utilizamos cookies para lhe oferecer uma melhor experiência de navegação, analisar o tráfego do site e personalizar o conteúdo. Ao utilizar este site, você concorda com o uso de cookies. política de Privacidade
        Rejeitar Aceitar