As nozes de clinchamento de vedação de aço de carbono são um tipo de fixador usado para conectar placas finas ou metais de folha. Eles são feitos de aço carbono, temperados e extintos para aumentar a dureza, e a superfície é galvanizada ou resistente à corrosão.
A porca de vedação é bem direta, você pode usar ferramentas padrão de clinchamento pneumático ou hidráulico. Veja como funciona: primeiro, coloque a porca em um buraco pré-perfurado e, em seguida, use um conjunto de socos e matriz para aplicar pressão. A matriz pressiona a chapa em torno do colar do clinch da porca, formando uma trava mecânica sólida em uma etapa rápida.
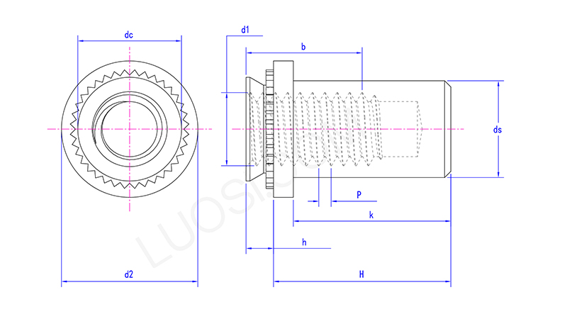
| seg | M3-1 | M3-2 | M4-1 | M4-2 | M5-1 | M5-2 | M6-1 | M6-2 |
| P | 0.5 | 0.5 | 0.7 | 0.7 | 0.8 | 0.8 | 1 | 1 |
| ds max | 3.84 | 3.84 | 5.2 | 5.2 | 6.35 | 6.35 | 8.75 | 8.75 |
| DC Max | 4.2 | 4.2 | 5.38 | 5.38 | 6.33 | 6.33 | 8.73 | 8.73 |
| B min | 5.3 | 5.3 | 7.1 | 7.1 | 7.1 | 7.1 | 7.8 | 7.8 |
| H max | 0.91 | 1.38 | 0.97 | 1.38 | 0.97 | 1.38 | 1.38 | 1.38 |
| H max | 9.85 | 9.85 | 11.45 | 11.45 | 11.45 | 11.45 | 14.55 | 14.55 |
| H min | 9.35 | 9.35 | 10.95 | 10.95 | 10.95 | 10.95 | 14.05 | 14.05 |
| k max | 8.5 | 8.5 | 9.8 | 9.8 | 9.8 | 9.8 | 12.7 | 12.7 |
| d2 max | 6.6 | 6.6 | 8.2 | 8.2 | 9 | 9 | 11.35 | 11.35 |
| D2 min | 6.1 | 6.1 | 7.7 | 7.7 | 8.5 | 8.5 | 10.85 | 10.85 |
| D1 | M3 | M3 | M4 | M4 | M5 | M5 | M6 | M6 |
As nozes de vedação em aço carbono são definidas por medições-chave: tamanho da linha (como M4, M5, M6 ou 1/4 "-20), diâmetro do colarinho, altura total, dimensões da arruela de vedação e a faixa de espessura da folha com a qual trabalham (Min e Max). Você pode obtê-las em fios métricos ou imperiais.
Sua força de clinch (quão bem eles resistem a ser empurrados ou torcidos) são testados em relação aos padrões da indústria (pense em ISO, DIN, IFI). Escolher o tamanho certo é um grande negócio, garante que o selo se mantenha e a porca seja forte o suficiente para o trabalho.
Para instalar a porca de vedação de aço carbono, você precisa de uma ferramenta de conjuração especializada e conjunto de matrizes que correspondam exatamente ao tamanho da porca. Primeiro, coloque a porca em um buraco pré-perfurado na chapa. Em seguida, a ferramenta aplica pressão controlada, o que faz com que o piloto da porca e o knurl afundem no metal circundante. Esse processo de formação a frio trava a porca de aço inoxidável no lugar para sempre e, ao mesmo tempo, esmaga a lavadora de vedação embutida contra o painel. É assim que cria o selo à prova de vazamentos que torna essas nozes únicas.
