Lar > Produtos > Alfinete > Eixo de pino > Pinos de manilha com cabeça
        Pinos de manilha com cabeça
        • Pinos de manilha com cabeçaPinos de manilha com cabeça
        • Pinos de manilha com cabeçaPinos de manilha com cabeça
        • Pinos de manilha com cabeçaPinos de manilha com cabeça
        • Pinos de manilha com cabeçaPinos de manilha com cabeça

        Pinos de manilha com cabeça

        A maioria dos pinos de segurança com cabeça tem um furo em uma extremidade. É aqui que você coloca uma cupilha ou contrapino. Dessa forma, o pino da manilha não se moverá quando houver muito movimento ou força agindo sobre ele. Com mais de duas décadas de experiência, Xiaoguo® é profissional e experiente na fabricação de precisão de cavilhas, porcas e parafusos.
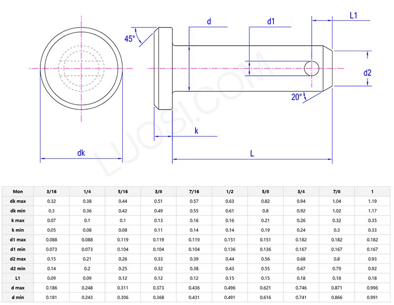
        Modelo:ASME/ANSI B18.8.1-2000

        Enviar consulta

        Descrição do produto

        Pinos de manilha com cabeçasão ótimos porque são versáteis, fortes e baratos. Eles são feitos para lidar com forças de puxar e empurrar muito fortes, por isso duram muito tempo mesmo quando as coisas estão se movendo muito. Uma grande vantagem é que eles funcionam com vários suportes de manilha e terminais de haste diferentes, para que você possa adicioná-los facilmente aos sistemas que já possui.

        Ao contrário dos parafusos ou pernos com rosca, os pinos de segurança não se desgastam ao girar ou esfregar, o que faz com que as peças em que estão inseridos durem mais. Eles vêm em diferentes materiais e revestimentos, por exemplo, aqueles que não enferrujam no oceano ou leves para aviões que atendem a diferentes necessidades. E como você pode reutilizá-los, você economiza dinheiro em manutenção e não precisa parar tanto de trabalhar.

        Clevis pins with head

        Características

        Aço inoxidávelpinos de manilha com cabeça(como os graus 304 ou 316) funcionam bem em ambientes enferrujados porque suas camadas de óxido de cromo combatem a corrosão. Pinos de alumínio marítimo com revestimentos anodizados resistem a danos causados ​​pela água salgada. Para condições realmente difíceis, como calor super alto, as ligas Inconel ou Monel não oxidam mesmo a 2.000°F.

        Você deve verificá-los regularmente em busca de buracos ou mudanças de cor para detectar problemas precocemente. Certifique-se de que as extremidades da manilha correspondam ao material do pino (como usar alumínio com aço inoxidável) para evitar corrosão galvânica. Usar lubrificantes com inibidores de ferrugem também ajuda a durar mais tempo em locais úmidos ou ácidos.

        Clevis pins with head parameter

        Personalização

        P: Você pode fornecerpinos de manilha com cabeçacom dimensões ou tolerâncias personalizadas?

        R: Sim, fabricamos principalmente pinos de manilha que atendem a necessidades específicas, como tamanhos, comprimentos ou tipos de rosca não padronizados. Utilizamos máquinas CNC para cortá-los com precisão, mantendo tolerâncias restritas (como ±0,01 mm) e podem ser bem conectados e fixados em sistemas hidráulicos ou peças automotivas.

        Basta enviar-nos seus desenhos CAD ou uma amostra e nossos engenheiros ajustarão o projeto para funcionar bem e economizar custos. Se você fizer o pedido em grandes quantidades, incluiremos relatórios gratuitos que verificam os tamanhos para garantir que atendam aos padrões ISO/DIN/ANSI.

        Hot Tags: Pinos de manilha com cabeça, China, fabricante, fornecedor, fábrica
        Categoria Relacionada
        Enviar consulta
        Por favor, sinta-se livre para dar o seu inquérito no formulário abaixo. Responderemos em 24 horas.
        X
        Utilizamos cookies para lhe oferecer uma melhor experiência de navegação, analisar o tráfego do site e personalizar o conteúdo. Ao utilizar este site, você concorda com o uso de cookies. política de Privacidade
        Rejeitar Aceitar