Lar > Produtos > Parafuso > Parafuso de cabeça quadrada > Parafusos de ponta de cabeça copo
        Parafusos de ponta de cabeça copo
        • Parafusos de ponta de cabeça copoParafusos de ponta de cabeça copo
        • Parafusos de ponta de cabeça copoParafusos de ponta de cabeça copo

        Parafusos de ponta de cabeça copo

        Os parafusos de cabeça copo produzidos pela Xiaoguo® Company podem fixar firmemente materiais macios, como madeira ou plástico. A cabeça em forma de copo fornece uma área de superfície de aperto maior e a ponta pontiaguda na parte inferior pode penetrar profundamente no parafuso para evitar que escorregue ou gire durante a operação.
        Modelo:DIN 607-1981

        Enviar consulta

        Descrição do produto

        O chefe doparafusos de ponta de cabeça copoé como uma xícara pequena, redonda e protuberante. Abaixo dele está conectado a uma espiga afiada e a parte do parafuso possui roscas. Este projeto é muito especial. Tem vantagens únicas na hora de consertar coisas e pode ser utilizado em diversos lugares.



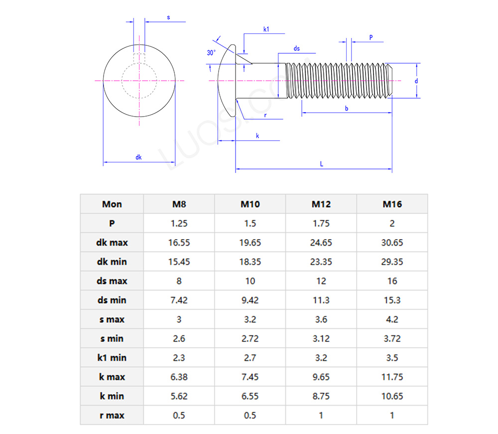
        Detalhes e parâmetros do produto

        Parafusos de ponta de cabeça copopode ser usado para fazer modelos de madeira nas aulas de artesanato escolar. Nas aulas de artesanato escolar, na confecção de maquetes de madeira, como de casinhas e pequenos barcos, elas podem ser utilizadas para fixar peças. É fácil de operar, permitindo que os alunos peguem o jeito rapidamente. Além disso, pode tornar a estrutura da maquete mais sólida, facilitando aos alunos a exposição de seus trabalhos e também tornando-a conveniente para a preservação da maquete a longo prazo.

        Os entusiastas do faça você mesmo usamparafusos de ponta de cabeça copoao reparar valas de drenagem ou calhas. Os parafusos podem ser travados em alumínio ou aço sem fazer furos, e os parafusos de cabeça cilíndrica ficam escondidos sob o selante. Se você deseja parafusos duráveis, pode escolher material de aço inoxidável. Depois da tempestade, não haverá mais ferrugem na casa.

        Os agricultores utilizam os parafusos quando reparam celeiros ou tubos de irrigação. Os parafusos podem agarrar firmemente a superfície enferrujada e resistir eficazmente à umidade do celeiro. As cabeças baixas dos parafusos não prendem feno ou ferramentas e não há necessidade de parar a máquina devido ao desprendimento dos fixadores.


        Cup head nib bolts parameters

        Ponto de venda do produto

        Oparafusos de ponta de cabeça coponão são apenas firmemente fixados e instalados rapidamente, mas o formato da cabeça do copo pode expandir a área de contato, dispersar a pressão durante o aperto e tornar a conexão mais sólida e difícil de afrouxar; A espiga pontiaguda pode ser facilmente inserida no material para evitar que o parafuso gire aleatoriamente quando apertado, e também é mais conveniente de instalar.


        Material do produto

        Fabricamos parafusos de ponta tipo copo com alguns materiais básicos, principalmente aço carbono, liga de aço e aço inoxidável. A escolha certa depende de onde serão usados.


        Para trabalhos regulares do dia a dia - como fixação de equipamentos internos sob carga baixa a média - tipos de aço carbono como 1010 ou 1018 funcionam bem. Eles são econômicos, mas geralmente precisam de um revestimento como galvanização para evitar ferrugem.


        Se você precisar de mais resistência – para coisas como máquinas pesadas ou conexões de chassis automotivos – usamos ligas de aço como 35CrMo. Eles são tratados termicamente para melhorar sua resistência e resistência.


        Para locais onde a ferrugem é uma preocupação, o aço inoxidável é a melhor opção. O grau 304 é bom para ambientes internos secos, como eletrodomésticos. Se você estiver trabalhando ao ar livre, perto de água salgada ou com produtos químicos, o grau 316 é uma escolha melhor porque resiste melhor à corrosão.


        O material que você escolhe realmente depende das suas condições de trabalho – quão úmido está, quanto peso o parafuso suportará e que tipo de risco de corrosão existe.


        Custos de transporte do produto

        Os custos de envio dos parafusos de ponta tipo copo dependem de algumas coisas: quão pesados ​​eles são, quanto espaço ocupam, até onde vão e como você deseja que sejam entregues.


        Para encomendas pequenas (menos de 20kg), normalmente enviamos por correio. O preço do frete é baseado no peso inicial mais o extra para cada quilograma adicional. Dentro do país, a tarifa básica gira em torno de US$ 1,5 a US$ 3, e cada quilo extra custa cerca de US$ 0,3 a US$ 1,2.


        Para pedidos maiores (acima de 20 kg), o frete ou LTL (carga inferior a um caminhão) costuma ser mais barato. O custo é baseado no peso real ou no tamanho do pacote – o que for maior. Para encontrar o peso do tamanho, multiplique o comprimento, largura e altura em centímetros e divida por 6.000.


        Por exemplo, o transporte doméstico de 1 tonelada em longa distância geralmente custa entre US$ 60 e US$ 90. Quanto mais você envia, menor é o custo por unidade.


        Para pedidos internacionais, coisas como taxas portuárias e alfandegárias entram em jogo. O frete marítimo é mais lento, mas mais barato, enquanto o frete aéreo é mais rápido, mas custa mais.


        Se você precisar de entrega porta a porta ou remessa rápida, isso pode adicionar de 20% a 50% ao preço base.


        É uma boa ideia verificar o custo total com sua transportadora antes de enviar para evitar surpresas posteriores.



        Material do produto

        Fabricamos parafusos de ponta tipo copo com alguns materiais básicos, principalmente aço carbono, liga de aço e aço inoxidável. A escolha certa depende de onde serão usados.


        Para trabalhos regulares do dia a dia - como fixação de equipamentos internos sob carga baixa a média - tipos de aço carbono como 1010 ou 1018 funcionam bem. Eles são econômicos, mas geralmente precisam de um revestimento como galvanização para evitar ferrugem.


        Se você precisar de mais resistência – para coisas como máquinas pesadas ou conexões de chassis automotivos – usamos ligas de aço como 35CrMo. Eles são tratados termicamente para melhorar sua resistência e resistência.


        Para locais onde a ferrugem é uma preocupação, o aço inoxidável é a melhor opção. O grau 304 é bom para ambientes internos secos, como eletrodomésticos. Se você estiver trabalhando ao ar livre, perto de água salgada ou com produtos químicos, o grau 316 é uma escolha melhor porque resiste melhor à corrosão.


        O material que você escolhe realmente depende das suas condições de trabalho – quão úmido está, quanto peso o parafuso suportará e que tipo de risco de corrosão existe.


        Custos de transporte do produto

        Os custos de envio dos parafusos de ponta tipo copo dependem de algumas coisas: quão pesados ​​eles são, quanto espaço ocupam, até onde vão e como você deseja que sejam entregues.


        Para encomendas pequenas (menos de 20kg), normalmente enviamos por correio. O preço do frete é baseado no peso inicial mais o extra para cada quilograma adicional. Dentro do país, a tarifa básica gira em torno de US$ 1,5 a US$ 3, e cada quilo extra custa cerca de US$ 0,3 a US$ 1,2.


        Para pedidos maiores (acima de 20 kg), o frete ou LTL (carga inferior a um caminhão) costuma ser mais barato. O custo é baseado no peso real ou no tamanho do pacote – o que for maior. Para encontrar o peso do tamanho, multiplique o comprimento, largura e altura em centímetros e divida por 6.000.


        Por exemplo, o transporte doméstico de 1 tonelada em longa distância geralmente custa entre US$ 60 e US$ 90. Quanto mais você envia, menor é o custo por unidade.


        Para pedidos internacionais, coisas como taxas portuárias e alfandegárias entram em jogo. O frete marítimo é mais lento, mas mais barato, enquanto o frete aéreo é mais rápido, mas custa mais.


        Se você precisar de entrega porta a porta ou remessa rápida, isso pode adicionar de 20% a 50% ao preço base.


        É uma boa ideia verificar o custo total com sua transportadora antes de enviar para evitar surpresas posteriores.





        Hot Tags: Parafusos de ponta de cabeça copo, China, fabricante, fornecedor, fábrica
        Categoria Relacionada
        Enviar consulta
        Por favor, sinta-se livre para dar o seu inquérito no formulário abaixo. Responderemos em 24 horas.
        X
        Utilizamos cookies para lhe oferecer uma melhor experiência de navegação, analisar o tráfego do site e personalizar o conteúdo. Ao utilizar este site, você concorda com o uso de cookies. política de Privacidade
        Rejeitar Aceitar