Lar > Produtos > Parafuso > Parafuso de flange de cabeça hexagonal > Parafusos hexagonais com flange
        Parafusos hexagonais com flange
        • Parafusos hexagonais com flangeParafusos hexagonais com flange
        • Parafusos hexagonais com flangeParafusos hexagonais com flange
        • Parafusos hexagonais com flangeParafusos hexagonais com flange

        Parafusos hexagonais com flange

        Os parafusos sextavados com flange produzidos pela Xiaoguo® contam com a confiança de clientes em todo o mundo. Um controle rigoroso foi implementado em todo o processo de produção. Caso queira consultar preços, entre em contato conosco.
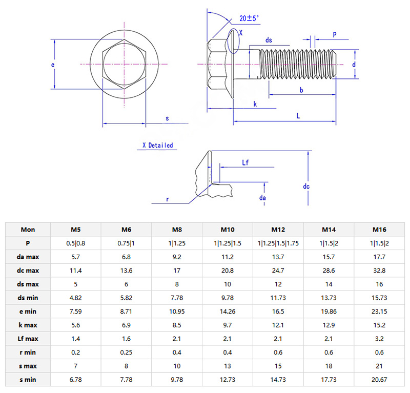
        Modelo:ISO 15071-1999

        Enviar consulta

        Descrição do produto

        Sob oparafusos sextavados com flange, existe um flange como um disco. Ele permite que os parafusos desempenhem um papel especial ao conectar coisas. Este tipo de parafuso pode desempenhar um papel em muitos lugares onde os requisitos de conexão são relativamente altos.

        Hexagon Bolts With Flange

        Aplicativos e parâmetros

        Parafusos hexagonais com flangepode evitar chuva e ferrugem. O tratamento superficial da galvanização por imersão a quente permite que sejam utilizados em cercas, galpões ou caixilhos de terraços. As placas de flange podem evitar que os parafusos fiquem presos em madeira ou metal fino e não requerem tratamento de polimento. Eles são adequados para edifícios de quintal.

        Usado em oficinas e fazendas empoeiradas. O flange serrilhado pode segurar firmemente a junta enferrujada e a cabeça hexagonal não cairá mesmo sob alto torque. Podem ser utilizados em tratores, silos de grãos e prateleiras pesadas.


        A estrutura da placa de flange espessada está integrada naparafuso sextavado com flange, combinando as características de condução da cabeça hexagonal com a função de dispersão de carga axial. Tomemos como exemplo os motores industriais. As vibrações geradas durante a operação podem facilmente causar desgaste por atrito ou atenuação da pré-carga dos fixadores tradicionais. O parafuso de flange de cabeça hexagonal pode efetivamente suprimir a transmissão de energia de vibração para a interface de conexão por meio do efeito de amortecimento da placa de flange e da otimização da distribuição de pressão na superfície de contato.

        Hexagon Bolts With Flange

        Ponto de venda do produto

        O maior ponto de venda deparafusos sextavados com flangeé que a conexão seja estável e possa dispersar efetivamente a pressão. Eles aumentam a área de contato com os objetos conectados. Quando apertada, a força pode ser distribuída uniformemente, tornando a conexão mais segura e reduzindo danos ao material. Tem uma capacidade mais forte de resistir à vibração.


        Hot Tags: Parafusos hexagonais com flange, China, fabricante, fornecedor, fábrica
        Categoria Relacionada
        Enviar consulta
        Por favor, sinta-se livre para dar o seu inquérito no formulário abaixo. Responderemos em 24 horas.
        X
        Utilizamos cookies para lhe oferecer uma melhor experiência de navegação, analisar o tráfego do site e personalizar o conteúdo. Ao utilizar este site, você concorda com o uso de cookies. política de Privacidade
        Rejeitar Aceitar