Lar > Produtos > Peças fascinantes > Nozes e parafusos rebitados > Suportes para brochamento de fixadores cativos
        Suportes para brochamento de fixadores cativos
        • Suportes para brochamento de fixadores cativosSuportes para brochamento de fixadores cativos
        • Suportes para brochamento de fixadores cativosSuportes para brochamento de fixadores cativos
        • Suportes para brochamento de fixadores cativosSuportes para brochamento de fixadores cativos

        Suportes para brochamento de fixadores cativos

        Os espaçadores para brochamento de fixadores cativos são duráveis, fáceis de instalar e adequados para ambientes eletrônicos complexos. A forma cilíndrica pode suportar componentes e o padrão serrilhado evita que caiam. A fábrica Xiaoguo® oferece uma variedade de especificações e tamanhos e possui estoque suficiente.
        Modelo:QIB/IND KFB3

        Enviar consulta

        Descrição do produto

        Os espaçadores para brochamento de fixadores cativos são feitos de diferentes materiais, com diversos cenários e características de aplicação. O aço macio (como 1008 ou 1010) oferece baixo custo e alta resistência; o aço inoxidável (como 303 ou 304) é resistente à ferrugem e à corrosão e adequado para uso em ambientes úmidos; e a liga de alumínio (como 6061) é condutora e leve. A escolha do material certo requer uma consideração abrangente de resistência, peso, condutividade, resistência à corrosão e economia, adaptada ao cenário de aplicação, localização e requisitos.

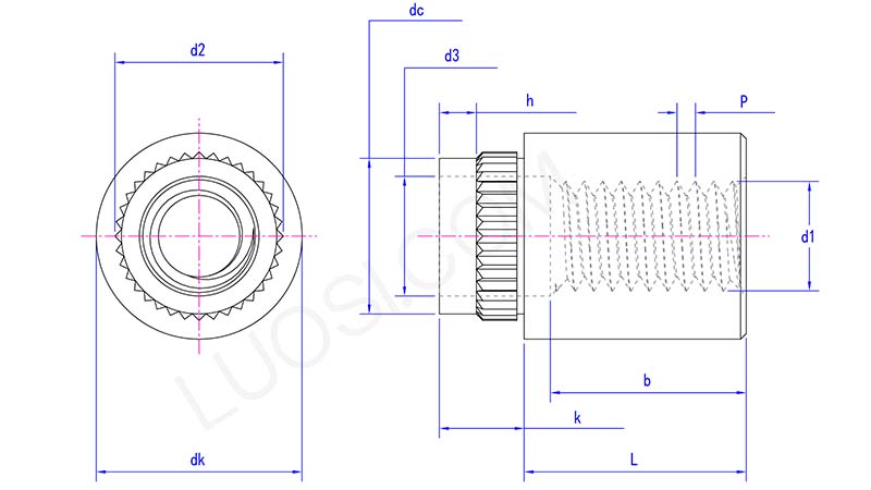
        Captive fastener broaching standoffs parameter

        seg
        440 632
        P
        40 32
        b máx.
        0.391 0.391
        b min
        0.359 0.359
        d1
        #4 #6
        d2 minutos
        0.176 0.223
        d2 máx.
        0.182 0.229
        d3 máx.
        0.125 0.174
        d3 minutos
        0.119 0.168
        CC máx.
        0.165 0.212
        dk máx.
        0.222 0.283
        não min
        0.216 0.277
        h máx.
        0.05 0.05
        h min
        0.03 0.03
        k máx.
        0.09 0.09

        Instalar

        Os espaçadores de brochamento de fixadores cativos são instalados com bastante eficiência.

        Usando máquinas de rebitagem pneumáticas, hidráulicas ou servoelétricas especiais, colocá-las é rápida e consistente. Você só precisa de acesso pelo lado do pino da PCB.

        Esse processo unilateral simplifica o projeto e a automação da linha de montagem.

        Lidar com esses pinos antes da instalação é fácil, geralmente são fornecidos a granel ou em bobinas, o que funciona com sistemas de alimentação automatizados.

        Sob alta temperatura ou ambiente de ciclo térmico

        Os espaçadores para brochamento de fixadores cativos são feitos para permanecerem estáveis ​​em ambientes difíceis.

        Os de aço inoxidável funcionam bem aqui, geralmente suportam temperaturas de -50°C a mais de 200°C.

        A rebitagem mecânica faz uma conexão firme que não se solta tanto durante os ciclos de aquecimento e resfriamento, em comparação com coisas como colas ou peças soldadas.

        Apenas certifique-se de que o material do pino corresponda às temperaturas que sua montagem verá e ao quanto ele aquece e esfria. Dessa forma, permanecerá confiável por muito tempo.

        Hot Tags: Suportes para brochamento de fixadores cativos, China, fabricante, fornecedor, fábrica
        Categoria Relacionada
        Enviar consulta
        Por favor, sinta-se livre para dar o seu inquérito no formulário abaixo. Responderemos em 24 horas.
        X
        Utilizamos cookies para lhe oferecer uma melhor experiência de navegação, analisar o tráfego do site e personalizar o conteúdo. Ao utilizar este site, você concorda com o uso de cookies. política de Privacidade
        Rejeitar Aceitar