|
seg |
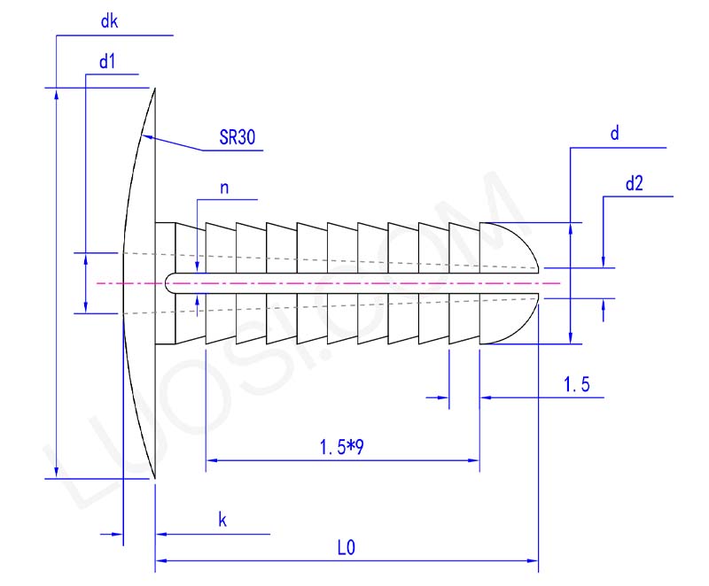
F6 |
F8 |
Φ10 |
|
d máx. |
6 | 8 | 10 |
|
administrador |
5.8 | 7.8 | 9.8 |
|
dk máx. |
16.2 | 16.2 | 18.2 |
|
não min |
15.8 | 15.8 | 17.8 |
|
k máx. |
1.6 | 1.6 | 2.1 |
|
quilômetros |
1.4 | 1.4 | 1.9 |
|
L0 |
20 | 20 | 22 |
|
d1 |
3 | 4 | 5 |
|
d2 |
1.5 | 2 | 3 |
|
n |
1 | 1 | 1.5 |
O retentor de clipe de rebite expansível é um fixador de plástico útil. Funciona como uma opção mais segura, leve e resistente à ferrugem, em vez das habituais cupilhas metálicas.
É basicamente uma peça cilíndrica com uma divisão no meio. Você o coloca em um orifício pré-perfurado e, em seguida, dobra as duas pernas para fora para segurar peças como pinos de manilha, eixos ou ligações no lugar. Esta versão de plástico elimina problemas como desgaste de metal, bordas afiadas e corrosão galvânica.
As principais vantagens do retentor de clipe de rebite expansível são a segurança, ser mais leve e resistir em diferentes ambientes.
Ao contrário dos pinos de metal, ele não apresenta o problema de rebarbas afiadas que podem cortá-lo ao colocá-lo ou retirá-lo. É muito mais leve, o que é muito importante para uso aeroespacial e automotivo.
Além do mais, o retentor expansível dos clipes de rebite resiste naturalmente à ferrugem e à corrosão. Pode ser usado em locais úmidos, perto de produtos químicos ou onde a eletricidade é insuficiente e onde as agulhas de metal podem funcionar mal ou causar problemas.

O valor específico da resistência ao cisalhamento do nosso retentor de clipe de rebite expansível variará dependendo do diâmetro do pino e do tipo específico do material.
Ele foi projetado para lidar com muitas vibrações e cargas móveis, comuns em máquinas, peças de automóveis e linhas de montagem.
O material possui naturalmente alguma flexibilidade e elasticidade, o que ajuda a absorver choques. Isso o torna um substituto confiável para pinos de metal em muitos ambientes difíceis, não se desgasta facilmente e também diminui o desgaste das peças que conecta.
