As características naturais dos clipes de rebite expansíveis de plástico os tornam ideais para usos especiais e específicos. Por não conduzir eletricidade, é muito importante em caixas elétricas e áreas de alta tensão. Não produz faíscas, o que é realmente necessário em locais onde podem ocorrer explosões (zonas ATEX).
Você também não pode ficar sem ele em salas de ressonância magnética e em aparelhos eletrônicos sensíveis, locais onde mesmo pequenos campos magnéticos de pinos de metal simplesmente não são permitidos.

Um bom clipe de rebite expansível de plástico passa por testes rigorosos para garantir que funcione de forma consistente. Esses testes verificam coisas como a precisão do tamanho, quanta força ele pode suportar, quão bem ele lida com golpes e se funciona com diferentes produtos químicos.
Os contrapinos de plástico Xiaoguo® são fabricados de acordo com os padrões da indústria, usando materiais que atendem aos requisitos especificados, garantindo desempenho. Eles mantêm os objetos no lugar com segurança e segurança para a finalidade pretendida. Em comparação com os contrapinos de metal, os de plástico são mais resistentes à corrosão e à ferrugem.

seg
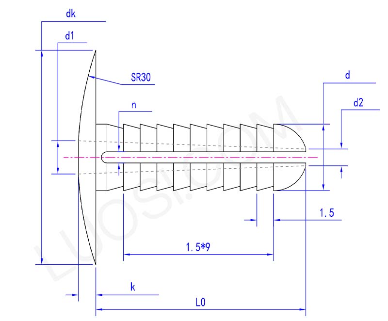
F6
F8
Φ10
d máx.
6
8
10
administrador
5.8
7.8
9.8
dk máx.
16.2
16.2
18.2
não min
15.8
15.8
17.8
k máx.
1.6
1.6
2.1
quilômetros
1.4
1.4
1.9
L0
20
20
22
d1
3
4
5
d2
1.5
2
3
n
1
1
1.5
Nossos clipes de rebite expansíveis de plástico padrão são feitos de materiais que atendem às principais regulamentações internacionais, incluindo RoHS e REACH. Também oferecemos versões certificadas pela FDA para aplicações em contato com alimentos. Certificados de conformidade estão disponíveis mediante solicitação.
Nossos materiais são cuidadosamente selecionados de acordo com padrões globais durante a produção, garantindo a conformidade com padrões de qualidade relevantes e garantindo exportação segura e uso generalizado em todo o mundo.