Lar > Produtos > Alfinete > Pino redondo > Pinos de manilha de alta resistência
        Pinos de manilha de alta resistência
        • Pinos de manilha de alta resistênciaPinos de manilha de alta resistência
        • Pinos de manilha de alta resistênciaPinos de manilha de alta resistência

        Pinos de manilha de alta resistência

        Este pino de manilha de alta resistência pode ser desmontado e reinstalado várias vezes, tornando-o vantajoso para reutilização. Você pode solicitar pinos de manilha de alta resistência da Xiaoguo com segurança e receberá uma excelente experiência com qualidade garantida.

        Enviar consulta

        Descrição do produto

        Podemos fornecer um certificado de inspeção para esses pinos de manilha de alta resistência, se necessário. O certificado lista os principais resultados dos testes: a composição do material, suas propriedades mecânicas, como resistência e dureza, e confirma que todas as dimensões críticas estão corretas. Também indica quais padrões, como ISO 2341, o produto atende.

        Cada certificado é para um lote de produção específico e possui um número exclusivo para que possa ser rastreado. É um registro que mostra que os pinos passaram nas verificações padrão, desde o material até o produto acabado. Obter um certificado com seus pinos de fixação de alta resistência é uma opção útil para trabalhos que exigem documentação formal, seja para uso industrial diário ou aplicações mais exigentes.

        High Tensile Clevis Pins

        Usos do produto

        Este tipo de pino é comumente usado para conectar componentes em máquinas que requerem rotação ou pivotamento. Em vários equipamentos industriais, é frequentemente usado para conectar suportes, hastes ou alavancas. Em automóveis e caminhões, é usado para componentes de suspensão, articulações de freio, dispositivos de direção, etc.

        Equipamentos agrícolas, como arados tratores e colheitadeiras, também o utilizam. Na indústria aeroespacial, pode ser usado para certas peças móveis em sistemas de aeronaves. Também é encontrado em barcos, em cordames e em algumas peças de motores, porque fica bem travado no lugar.

        Basicamente, os pinos de manilha de alta resistência são úteis sempre que você precisar de uma conexão sólida que também possa ser necessária para desmontar mais tarde e que possa suportar tremores e uso regular.

        Sessão de perguntas e respostas

        P: Qual é a embalagem padrão para seus pinos divididos de alta resistência?

        Resposta:Normalmente usamos caixas de papelão resistentes para embalar alfinetes de divisão de alta resistência, e o método de embalagem é geralmente dividido por tamanho e quantidade (por exemplo, 100 peças por caixa).

        Para pedidos em grandes quantidades, embalaremos pinos de divisão de alta resistência na caixa principal e os colocaremos em um palete para garantir transporte seguro e facilidade de manuseio.

        High Tensile Clevis Pins


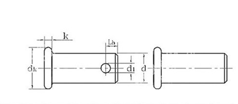
        unidade: mm
        d máx. 3 4 5 6 8 10 12 14 16 18 20
        min 2.94 3.925 4.925 5.925 7.91 9.91 11.89 13.89 15.89 17.89 19.87
        não sei máx. 5 6 8 10 12 14 16 18 20 22 25
        min 4.7 5.7 7.64 9.64 11.57 13.57 15.57 17.57 19.48 21.48 24.48
        k nominal 1.5 2 2.5 3 3.5 4
        máx. 1.625 2.125 2.625 3.125 3.65 4.15
        min 1.375 1.875 2.375 2.875 3.35 3.85
        d1 min 1.6 2 3.2 4 5 5
        máx. 1.74 2.14 3.38 4.18 5.18 5.18
        Lh min 1.6 2.2 2.9 3.2 3.5 4.5 5.5 6 6 7 8




        Hot Tags: Pinos de manilha de alta resistência, China, fabricante, fornecedor, fábrica
        Categoria Relacionada
        Enviar consulta
        Por favor, sinta-se livre para dar o seu inquérito no formulário abaixo. Responderemos em 24 horas.
        X
        Utilizamos cookies para lhe oferecer uma melhor experiência de navegação, analisar o tráfego do site e personalizar o conteúdo. Ao utilizar este site, você concorda com o uso de cookies. política de Privacidade
        Rejeitar Aceitar