Lar > Produtos > Parafuso > Outros parafusos > Parafuso de flange de 12 pontas com haste reduzida
        Parafuso de flange de 12 pontas com haste reduzida
        • Parafuso de flange de 12 pontas com haste reduzidaParafuso de flange de 12 pontas com haste reduzida
        • Parafuso de flange de 12 pontas com haste reduzidaParafuso de flange de 12 pontas com haste reduzida
        • Parafuso de flange de 12 pontas com haste reduzidaParafuso de flange de 12 pontas com haste reduzida

        Parafuso de flange de 12 pontas com haste reduzida

        O parafuso flange de 12 pontas com haste reduzida é altamente adequado para aplicações que requerem fixação firme, mas também desejam reduzir a espessura do material. Você pode controlar melhor o torque, para que não escorregue ao apertar. A empresa Xiaoguo® oferece soluções práticas.

        Enviar consulta

        Descrição do produto

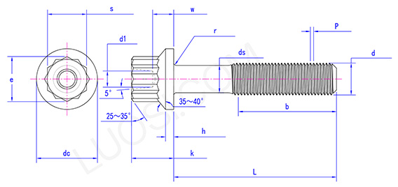
        Parafuso flangeado de 12 pontas com haste reduzida e cabeça com 12 cantos. A placa do flange abaixo funciona como uma junta, aumentando a área de contato com o material conectado. A parte da haste fina no meio tem diâmetro menor em comparação com as hastes de parafuso comuns e é aplicada em alguns cenários específicos.

        Parâmetros do produto

        seg #10
        P 32
        d1 0.1
        CC 0.375
        ds máx. 0.171
        ds min 0.161
        e 0.278
        h máx. 0.05
        h min 0.04
        k 0.26
        minuto 0.015
        r máx. 0.025
        é máx. 0.251
        s min 0.243
        w 0.13

        Características

        Este parafuso flangeado de cabeça de 12 pontos pode ser usado para instalação de bombas hidráulicas. A bomba de alta pressão pode tremer, fazendo com que os parafusos de instalação se soltem. Seu design de alça curta pode absorver a vibração do pescoço. A vedação do flange pode evitar vazamento de óleo e não requer uma junta separada. Os parafusos padrão quebrarão em alguns meses, enquanto esses parafusos podem suportar mais de 10.000 horas de operação.

        Parafuso de flange de 12 pontos com haste reduzida pode ser usado para conexão do coletor de escape. O coletor da turbina pode rachar nos furos dos parafusos devido ao estresse térmico. Eles podem resolver esse problema. A haste do parafuso pode ser dobrada durante um ciclo térmico a 800°C para evitar fratura por tensão. Ao desmontar, é mais resistente à ferrugem que a cabeça hexagonal. Certifique-se de aplicar agente antigripante de níquel. Sua vida útil é duas vezes maior que a dos parafusos comuns.

        Esses parafusos de flange com cabeça de 12 pontas podem reduzir o peso. A parte mais estreita abaixo da rosca pode reduzir a perda de material sem sacrificar a resistência. É altamente adequado para aplicações sensíveis ao peso, como painéis de aeronaves ou carros de corrida. Os flanges ainda podem ser usados ​​como juntas embutidas.

        Vantagem

        O parafuso flangeado de cabeça de 12 pontas com haste reduzida possui forte força de fixação. Pode suportar grande torque quando apertado. Com a placa do flange aumentando o atrito, também é muito difícil afrouxá-la em um ambiente vibratório. Reduziu os riscos de segurança e falhas de equipamento causadas pelo afrouxamento. Além disso, durante a instalação, o design da haste fina permite que ela passe através de materiais mais finos ou pequenos furos com mais facilidade, sem a necessidade de alargamento trabalhoso. É fácil de operar e economiza tempo e mão de obra.

        12 Point Flange Screw With Reduced Shank

        Hot Tags: Parafuso de flange de 12 pontos com haste reduzida, China, fabricante, fornecedor, fábrica
        Categoria Relacionada
        Enviar consulta
        Por favor, sinta-se livre para dar o seu inquérito no formulário abaixo. Responderemos em 24 horas.
        X
        Utilizamos cookies para lhe oferecer uma melhor experiência de navegação, analisar o tráfego do site e personalizar o conteúdo. Ao utilizar este site, você concorda com o uso de cookies. política de Privacidade
        Rejeitar Aceitar