Lar > Produtos > Noz > Porca Redonda > Porcas redondas com fenda totalmente rosqueadas
        Porcas redondas com fenda totalmente rosqueadas
        • Porcas redondas com fenda totalmente rosqueadasPorcas redondas com fenda totalmente rosqueadas
        • Porcas redondas com fenda totalmente rosqueadasPorcas redondas com fenda totalmente rosqueadas

        Porcas redondas com fenda totalmente rosqueadas

        As porcas redondas com fenda totalmente rosqueadas são projetadas com entalhes em sua borda externa para uso com chaves de pino. Hoje em dia, muitos clientes estão comprando esses produtos da China XIAOGUO porque são econômicos e têm fornecimento estável e confiável.

        Enviar consulta

        Descrição do produto

        Instruções de uso do produto

        Porcas redondas com fenda totalmente rosqueadas - são definidas de acordo com padrões como DIN 546 e são usadas principalmente para obter uma conexão de fixação segura e podem suportar vibrações. A principal característica dessas porcas está nas ranhuras cortadas em uma das extremidades da porca. Veja como usá-los: Primeiro, aparafuse a porca em um parafuso ou pino pré-perfurado e aperte-a na posição desejada. Após o aperto, alinhe a ranhura com o furo no eixo do parafuso. Finalmente, insira um pino aberto (arruela de pressão) ou linha de segurança através da ranhura alinhada e do orifício do parafuso e, em seguida, dobre as extremidades do pino para garantir um encaixe seguro. Assim, na presença de vibrações, a porca não se soltará.

        Embalagem do produto

        Com base nos resultados de nossa investigação, oferecemos uma linha de porcas redondas com fenda totalmente rosqueadas, que são altamente adequadas para aplicações industriais. Empacotá-los em sacos ou caixas é um método comum e prático. Cada saco geralmente contém um certo número de nozes, como 100 por saco. Este formato ensacado é conveniente para transporte, contagem de estoque e distribuição na oficina ou linha de montagem. A embalagem costuma ser transparente ou possui rótulos, permitindo identificar rapidamente o tipo e tamanho das nozes. Se você é um fabricante ou um grande comprador, também podemos fornecer maiores quantidades de embalagens cartonadas ou personalizar a embalagem de acordo com suas necessidades. Isso ajuda a reduzir custos e fazer com que a cadeia de suprimentos do seu projeto funcione de maneira mais tranquila.

        Sessão de perguntas e respostas

        De quais materiais suas porcas redondas com fenda totalmente rosqueadas normalmente são feitas?

        R: Geralmente fabricamos nossas nozes em aço carbono para uso geral. Também temos opções de aço inoxidável (graus 304 e 316) se você precisar de algo que resista à ferrugem, e latão para aplicações não magnéticas. Basta escolher o material para as nozes com base no ambiente e nas necessidades mecânicas específicas.

        Fully Threaded Slotted Round Nuts


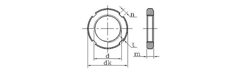
        unidade: mm
        d*P não sei m n t Qualidade por 1.000 produtos de aço≈kz d*P não sei m n t Qualidade por 1.000 produtos de aço≈kg
        máx. min máx. min máx. min máx. min
        M10*1 22 8 4.3 4 2.6 2 16.82 M64*2 95 12 8.36 8 4.25 3.5 351.9
        M12*1,25 25 21.58 M65*2 95 342.4
        M14*1,5 28 26.82 M68*2 100 10.36 10 4.75 4 380.2
        M16*1,5 30 5.3 5 3.1 2.5 28.44 M72*2 105 15 518
        M18*1,5 32 31.19 M75*2 105 477.5
        M20*1,5 35 37.31 M76*2 110 562.4
        M22*1,5 38 10 54.91 M80*2 115 608.4
        M24*1,5 42 68.88 M85*2 120 640.6
        M25*1,5 42 68.88 M90*2 125 18 12.43 12 5.75 5 796.1
        M27*1,5 45 75.49 M95*2 130 834.7
        M30*1,5 48 82.11 M100*2 135 873.3
        M33*1,5 52 6.3 6 3.6 3 93.32 M105*2 140 895
        M35*1,5 52 84.99 M110*2 150 14.43 14 6.75 6 1076
        M36*1,5 55 100.3 M115*2 155 22 1369
        M39*1,5 58 107.3 M120*2 160 1423
        M40*1,5 58 109.5 M125*2 165 1477
        M42*1,5 62 121.8 M130*2 170 1531
        M45*1,5 68 153.6 M140*2 180 26 1937
        M48*1,5 72 12 8.36 8 4.25 3.5 201.2 M150*2 200 16.43 16 7.9 7 2651
        M50*1,5 72 186.8 M160*3 210 2810
        M52*1,5 78 238 M170*3 220 2970
        M55*2 78 214.4 M180*3 230 30 3610
        M56*2 85 290.1 M190*3 240 3794
        M60*2 90 320.3 M200*3 250 3978





        Hot Tags: Porcas redondas com fenda totalmente rosqueadas, China, fabricante, fornecedor, fábrica
        Categoria Relacionada
        Enviar consulta
        Por favor, sinta-se livre para dar o seu inquérito no formulário abaixo. Responderemos em 24 horas.
        X
        Utilizamos cookies para lhe oferecer uma melhor experiência de navegação, analisar o tráfego do site e personalizar o conteúdo. Ao utilizar este site, você concorda com o uso de cookies. política de Privacidade
        Rejeitar Aceitar