Um parafuso de soldagem de projeção de face de alta resistência é um tipo especial de fixador feito para se conectar fortemente e facilmente a folhas ou estruturas de metal. Possui projeções - geralmente anéis ou pequenos inchaços - no lado que toca o metal, e estes são feitos de tamanhos precisos.
Quando você o solde, muita corrente elétrica se concentra nessas projeções. Isso faz com que o metal fique muito quente, derreta e, quando esfria, forma uma solda forte. Essa solda mantém o parafuso de soldagem de projeção de face de alta resistência firmemente na peça em que você está trabalhando.
Um trabalho principal de soldagem de projeção de face de alta resistência é criar um ponto de fixação permanente e baseado em roscas que possa conter peso. Você precisa de equipamentos especiais de soldagem para projeção para soldá -lo.
Os eletrodos pressionam e enviam muita eletricidade através das projeções do Bolt e da peça de metal com a qual você está trabalhando. A maneira como o parafuso de soldagem é feita significa apenas as projeções derreter - nada mais. Quando esfriam, formam uma ligação de metal forte, e o metal ao redor não fica dobrado ou deformado.
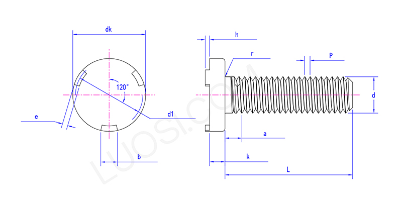
| seg | M5 | M6 | M8 | M10 |
| P | 0.8 | 1 | 1.25 | 5 |
| Dk max | 12.4 | 14.4 | 16.4 | 20.4 |
| DK min | 11.6 | 13.6 | 15.6 | 19.6 |
| k max | 2 | 2.2 | 3.2 | 4.2 |
| K min | 1.6 | 1.8 | 3.2 | 4.2 |
| e max | 2.25 | 2.75 | 2.25 | 2.75 |
| E min | 1.75 | 2.25 | 1.75 | 2.25 |
| B máx | 3.3 | 4.3 | 5.3 | 6.3 |
| B min | 2.7 | 3.7 | 4.7 | 5.7 |
| H max | 0.8 | 0.9 | 1.1 | 1.3 |
| H min | 0.6 | 0.75 | 0.9 | 1.1 |
| d1 max | 10 | 11.5 | 14 | 17.5 |
| D1 min | 9 | 10.5 | 13 | 16.5 |
| R min | 0.2 | 0.25 | 0.4 | 0.4 |
| r máx | 0.6 | 0.7 | 0.9 | 1.2 |
| a máx | 3.2 | 4 | 5 | 5 |

Um parafuso de soldagem de projeção de face de alta resistência tem pequenas peças elevadas - geralmente anéis ou pequenos amolgadelas - no lado que é soldado. Quando você o solda, muita eletricidade se concentra nessas peças elevadas. Eles derretem imediatamente contra o metal base, enquanto o eletrodo está pressionando.
Isso faz soldas fortes e apertadas que mantêm o parafuso bem no lugar. Eles funcionam muito bem para trabalhos de chapa metal.