Lar > Produtos > Parafuso > Parafuso de cabeça redonda > Parafusos de junta de alta resistência classe 10.9
        Parafusos de junta de alta resistência classe 10.9
        • Parafusos de junta de alta resistência classe 10.9Parafusos de junta de alta resistência classe 10.9
        • Parafusos de junta de alta resistência classe 10.9Parafusos de junta de alta resistência classe 10.9
        • Parafusos de junta de alta resistência classe 10.9Parafusos de junta de alta resistência classe 10.9

        Parafusos de junta de alta resistência classe 10.9

        Os parafusos de junta de alta resistência Xiaoguo® classe 10.9 são fabricados de acordo com a norma TB/B 2347-1993. Seu nível de resistência chega a 10,9, permitindo-lhes suportar forças de tração e cisalhamento extremamente altas. Eles são amplamente utilizados em máquinas pesadas, construção em grande escala e indústrias de alto estresse.
        Modelo:TB/B 2347-1993

        Enviar consulta

        Descrição do produto

        Parafusos de junta de alta resistência classe 10.9são diferentes dos parafusos comuns. É feito de liga de aço de alta qualidade e passou por tratamentos especiais como têmpera e revenido. Sua parte do parafuso possui roscas e pode se encaixar perfeitamente na porca.

        Class 10.9 High Strength Joint Bolt

        Detalhes do produto

        Parafusos de junta de alta resistência classe 10.9são usados ​​na construção de usinas eólicas. A torre de uma turbina eólica é alta e pesada. Sob a ação da energia eólica, as pás giram em alta velocidade, gerando forças muito complexas. Este tipo de parafuso de alta resistência é necessário para conectar as várias seções do cilindro da torre e instalar as lâminas no cubo. Ele pode garantir que todos os componentes de todo o equipamento de geração de energia eólica estejam intimamente conectados em um ambiente de vento forte e não se soltem devido à vibração e ao impacto da força do vento, garantindo a geração de energia contínua e estável da turbina eólica e nos fornecendo energia limpa.


        Parafusos de junta de alta resistência classe 10.9pode suportar forças de tração e compressão particularmente grandes. Mesmo em um ambiente com vibração extremamente severa e impacto contínuo, eles podem conectar firmemente os componentes e não se soltarão ou quebrarão facilmente. Além disso, suas especificações são muito ricas, variando desde tamanhos relativamente pequenos até tamanhos grandes. Quer se trate de conectar peças pequenas ou estruturas grandes, você pode encontrar a solução adequada. É particularmente flexível de usar.


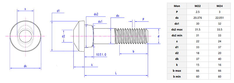
        Parâmetros do produto

        Class 10.9 High Strength Joint Bolts

        Recursos do produto

        Os parafusos de junta de alta resistência classe 10.9são feitos de liga de aço de alta qualidade. Esta liga de aço possui excelente resistência e tenacidade. Após passar por tratamentos especiais de têmpera e revenido, seu desempenho é significativamente melhorado. Suas especificações e dimensões são muito ricas. Quer se trate de conectar componentes minúsculos e delicados, como as partes internas de um relógio ou vigas e colunas de aço grossas em grandes estruturas de aço de edifícios, ele pode ser adaptado a todos.


        Hot Tags: Parafusos de junta de alta resistência classe 10.9, China, fabricante, fornecedor, fábrica
        Categoria Relacionada
        Enviar consulta
        Por favor, sinta-se livre para dar o seu inquérito no formulário abaixo. Responderemos em 24 horas.
        X
        Utilizamos cookies para lhe oferecer uma melhor experiência de navegação, analisar o tráfego do site e personalizar o conteúdo. Ao utilizar este site, você concorda com o uso de cookies. política de Privacidade
        Rejeitar Aceitar