Lar > Produtos > Parafuso > Parafuso de cabeça redonda > Parafuso de pescoço quadrado com cabeça copo
        Parafuso de pescoço quadrado com cabeça copo
        • Parafuso de pescoço quadrado com cabeça copoParafuso de pescoço quadrado com cabeça copo
        • Parafuso de pescoço quadrado com cabeça copoParafuso de pescoço quadrado com cabeça copo
        • Parafuso de pescoço quadrado com cabeça copoParafuso de pescoço quadrado com cabeça copo

        Parafuso de pescoço quadrado com cabeça copo

        A fábrica Xiaoguo® está equipada com parafusos de cabeça quadrada e pescoço de vários tamanhos. Eles são altamente adequados para projetos de construção, como construção de estruturas de aço ou montagem de grandes máquinas. Forneceremos cotações detalhadas e descontos preferenciais.
        Modelo:Q 192-1999

        Enviar consulta

        Descrição do produto

        O chefe doParafuso de pescoço quadrado com cabeça copocom cabeça grande é maior do que o parafuso de cabeça copo comum. Tem o formato de uma xícara grande e pode cobrir uma área maior. A parte inferior é conectada a um pescoço quadrado e mais abaixo está um parafuso roscado.

        Detalhes do produto

        Eles são frequentemente usados ​​na indústria de fabricação de máquinas pesadas, onde várias peças pesadas precisam ser conectadas na fabricação de grandes guindastes. A cabeça grande pode distribuir melhor a pressão entre as peças, e o pescoço quadrado garante que o parafuso não se desloque quando apertado, garantindo assim que todas as peças estejam firmemente conectadas e não se soltem ou caiam quando o guindaste estiver levantando objetos pesados.

        O pescoço quadrado do parafuso é muito especial. Ao instalar, faça uma ranhura quadrada no material que corresponda ao pescoço quadrado. Depois de inserir o parafuso, o pescoço quadrado ficará firmemente preso na ranhura. Ao apertar a porca, o parafuso não gira. Os trabalhadores podem apertar a porca com uma mão, o que melhora a eficiência da instalação e torna a conexão mais firme e confiável.

        Bol de pescoço quadrado com cabeça de copotpode ser usado para conectar rolamentos de ponte. As pontes suportam o peso dos veículos e as vibrações durante a condução, por isso as conexões dos rolamentos devem ser estáveis. A extremidade grande permite que o rolamento se encaixe melhor na estrutura da ponte e transmita a pressão de maneira uniforme. O pescoço quadrado evita que os parafusos girem sob a ação das cargas do veículo, garantindo o funcionamento seguro da ponte.


        Ponto de venda do produto

        As características deParafuso de pescoço quadrado com cabeça coposão "fixação estável e forte suporte de força". Possui maior área de contato com o material fixo e a pressão é distribuída de maneira mais uniforme, diminuindo a probabilidade de danificar ou deformar o material. O pescoço quadrado é fixado na ranhura pré-perfurada. Quando a porca é apertada, o parafuso não gira, economizando tempo e trabalho na instalação. Além disso, é forte e durável, capaz de suportar forças consideráveis ​​de tração e compressão.

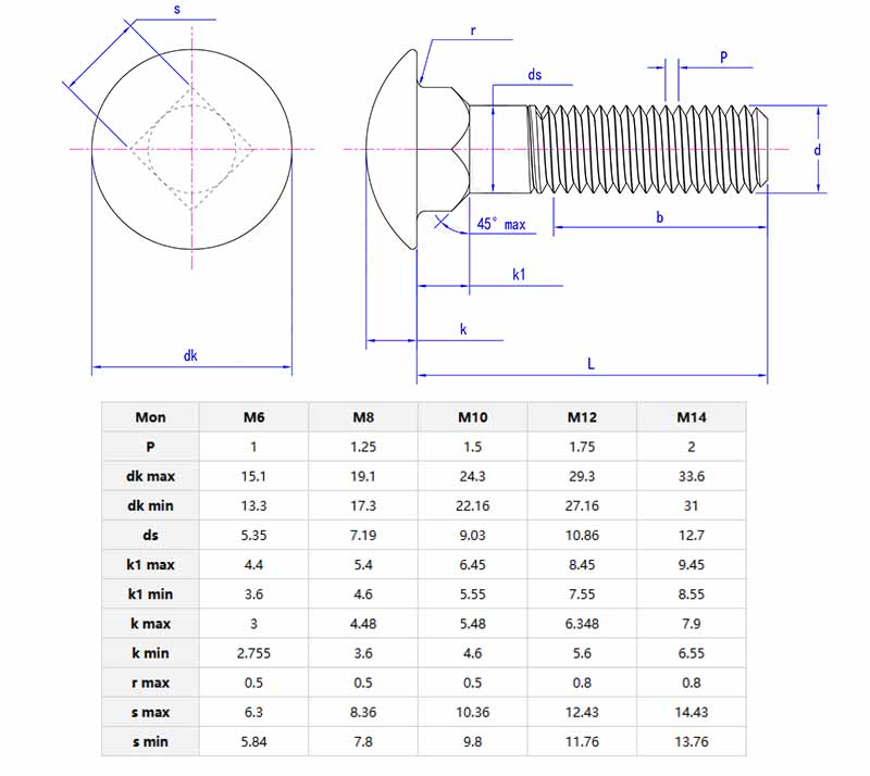
        Parâmetros do produto

        Hot Tags: Parafuso de pescoço quadrado com cabeça copo, China, fabricante, fornecedor, fábrica
        Categoria Relacionada
        Enviar consulta
        Por favor, sinta-se livre para dar o seu inquérito no formulário abaixo. Responderemos em 24 horas.
        X
        Utilizamos cookies para lhe oferecer uma melhor experiência de navegação, analisar o tráfego do site e personalizar o conteúdo. Ao utilizar este site, você concorda com o uso de cookies. política de Privacidade
        Rejeitar Aceitar