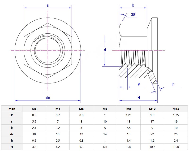
Conjunto de porcas sextavadas e arruela cônicasadequado para superfícies irregulares ou angulares.Porcas hexagonaisfornecem roscas padrão para parafusos, enquanto arruelas cônicas são ajustadas à inclinação ou folga apropriada para segurança.

Oconjuntos de porcas sextavadas e arruelas cônicasapresentam uma rosca padrão, enquanto a arruela cônica possui uma superfície angular que permite ajuste de até 10-15 graus. A base larga da arruela distribui a carga uniformemente e a montagem funciona com parafusos métricos ou imperiais. É mais volumosa que uma arruela plana, mas resolve os desafios de alinhamento.
Usarconjunto de porcas sextavadas e arruelas cônicasespara protegerparafusosem superfícies inclinadas ou irregulares. Ele pode montar suportes em vigas de aço inclinadas, instalar equipamentos em concreto irregular ou fixar pernas de máquinas em pisos rochosos. Também facilita a modernização de estruturas mais antigas com superfícies de assentamento ou flexão ao longo do tempo.
Hex conjuntos de porcas e arruelas cônicassão comuns na construção (vigas de aço, andaimes), sistemas ferroviários (fixação de trilhos) e máquinas agrícolas (fixações em terrenos irregulares). Eles também são usados em postes de serviços públicos, montagens de painéis solares e projetos DIY, como construção de decks. Em qualquer lugar onde os parafusos encontrem superfícies angulares ou ásperas, esta combinação mantém as coisas firmes.

| Mercado |
Receita Total (%) |
| América do Norte |
10 |
| Europa Oriental |
23 |
| Sudeste Asiático |
3 |
| Oriente Médio |
5 |
| Ásia Oriental |
18 |
| Europa Ocidental |
15 |
| América Central |
6 |
| Sul da Ásia |
5 |
| Mercado Interno |
15 |
Conjuntos de porcas sextavadas e arruelas cônicastêm baixo custo de manutenção, bastando apenas verificar se o produto está enferrujado ou se a lavadora está deformada ao utilizá-la. A junta dobrada precisa ser substituída para manter a aderência. Eles não são adequados para ângulos extremos (mais de 15 graus) ou cargas rotativas pesadas. Eles são uma solução econômica para a maioria dos trabalhos desequilibrados.