Nozes hexápicas com fenda métricapode ser bloqueado com pinos ou fios, o que é muito confiável para evitar afrouxamento. Por exemplo, é adequado para instalar parafusos de trilho nas ferrovias e fixar correias transportadoras em minas, que são locais com grandes vibrações.
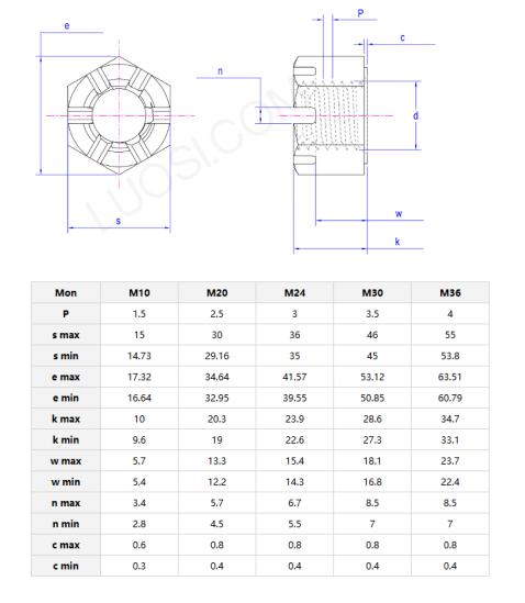
Detalhes e parâmetros do produto
O material pode ser galvanizado aço carbono ou 316 aço inoxidável.Nozes hexápicas com fenda métricaé resistente ao spray de sal, ácido e álcali e é adequado para ambientes altamente corrosivos, como tubulações químicas e plataformas offshore. A Xiaoguo® fornece opções de revestimento Dacromet para prolongar a vida útil dos equipamentos ao ar livre.

Em máquinas de mineração e veículos de engenharia,Nozes hexápicas com fenda métricasão usados para consertar juntas hidráulicas e rastrear parafusos. Depois que o pino é inserido no slot, ele não cairá devido à vibração, garantindo a segurança contínua da operação do equipamento.
Nozes hexápicas com fenda métricaTenha uma base plana para evitar afrouxamento e um slot para adicionar uma trava de chave de fenda. Eles são ideais para projetos de bricolage, como consertar bicicletas ou proteger equipamentos ao ar livre expostos à chuva. A compilação de aço ou zinco resiste à ferrugem, e o dimensionamento métrico funciona com parafusos padrão. Use-os para encanamentos, molduras de máquinas ou qualquer coisa que precise de uma solução simples e de bloqueio duplo sem peças extras.
| Mercado | Receita (ano anterior) | Receita total (%) |
| América do Norte | Confidencial | 15 |
| Ámérica do Sul | Confidencial | 3 |
| Europa Oriental | Confidencial | 23 |
| Sudeste Asiático | Confidencial | 6 |
| Oriente Médio | Confidencial | 5 |
| Ásia Oriental | Confidencial | 16 |
| Europa Ocidental | Confidencial | 13 |
| América Central | Confidencial | 5 |
| Norte da Europa | Confidencial | 6 |
| Sul da Ásia | Confidencial | 8 |
Benefícios de trabalhar conosco
Ganhamos a confiança e os elogios de muitos clientes com nossos produtos e serviços de alta qualidade. Nossos clientes cobrem todas as esferas da vida. Os clientes elogiam a qualidade da nossaNozes hexápicas com fenda métricaprodutos. Optando de cooperar conosco, você compartilhará produtos e serviços de alta qualidade com muitas empresas de sucesso.