A altura fina detipo de torque predominante porcas finas hexagonaiscabe onde nozes volumosas não cabem. É fácil de instalar com ferramentas básicas e, por ser autotravante, não há necessidade de adicionar peças como arruelas de pressão.

Você encontrarátipo de torque predominante porcas finas hexagonaisem montagens automotivas (como suportes de motor ou caixas de câmbio), aeroespaciais (fixação de painéis leves) e eletrônica (fixação de placas de circuito ou pequenos componentes). Eles também são usados em robótica, dispositivos médicos e sistemas HVAC – em qualquer lugar onde o espaço seja apertado e as vibrações ameacem as nozes normais.
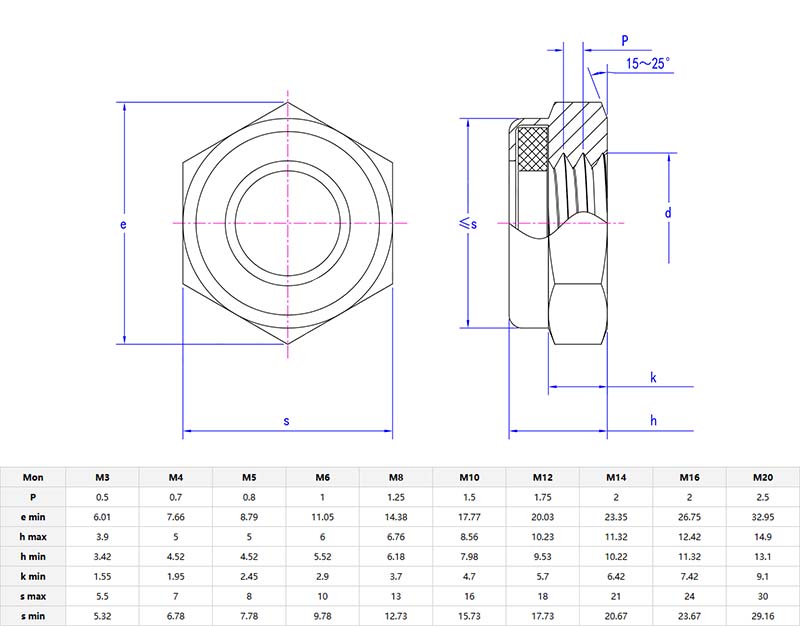
Essestipo de torque predominante porcas finas hexagonaissão finos, mas resistentes. Eles funcionam com chaves normais e usam roscas amassadas ou pontas de náilon para prender os parafusos com firmeza. Feito com aço resistente ou metais à prova de ferrugem. Ótimo para espaços apertados ou configurações em camadas, pois são muito planos. Atenção: se você desparafusá-los, eles perderão o poder de travamento - jogue-os fora após o uso.

| Mercado |
Receita Total (%) |
| América do Norte |
16 |
| Europa Oriental |
21 |
| Sudeste Asiático |
3 |
| Oriente Médio |
5 |
| Ásia Oriental |
20 |
| Europa Ocidental |
15 |
| América Central |
6 |
| Sul da Ásia |
5 |
| Mercado Interno |
9 |
Porcas finas hexagonais do tipo torque predominantesensores seguros em espaços apertados, permanecendo firmes apesar das vibrações do motor. Ou um braço robótico de fábrica – essas porcas mantêm as juntas travadas sem adicionar volume. Mesmo em eletrodomésticos como micro-ondas, eles prendem peças internas que não podem se soltar. Correção simples, grande impacto.