Para ocolar de travamento com fixação por parafuso, você pode escolher materiais com base no que precisa. O aço carbono (como SAE 1070/1095) é usado quando você precisa de um material forte para trabalhos difíceis. O aço inoxidável (AISI 304/316) funciona bem em locais onde as coisas podem enferrujar ou corroer. As ligas de titânio são boas para materiais aeroespaciais, onde precisam de algo leve, mas forte. Também existem produtos especiais como o Inconel® para situações com temperaturas extremas, sejam muito quentes ou muito frias.
Eles testam cada material cuidadosamente para garantir que ele resista – verificando o quanto ele pode esticar sem quebrar (até 1.500 MPa) e quanto desgaste ele pode suportar ao longo do tempo. A variedade de materiais significa que este anel de retenção pode funcionar em muitos ambientes diferentes, desde locais superfrios até fábricas com altas temperaturas.
Cuidando docolar de travamento com fixação por parafusosignifica fazer verificações regulares de aperto dos parafusos, desgaste superficial ou ferrugem. Durante a manutenção, aperte os parafusos com o torque recomendado pelo fabricante (geralmente 20-50 Nm). Use produtos de limpeza suaves para limpar os detritos e coloque um pouco de graxa antigripante nas roscas para facilitar a desmontagem posterior. Se você notar rachaduras ou o anel estiver deformado, troque-o. Guarde os anéis em local seco e com temperatura controlada para evitar danos antes de instalá-los. Manter essa rotina os ajuda a trabalhar melhor e pode fazer com que durem até 30% mais.

P: Como determino o tamanho correto de umcolar de travamento com fixação por parafusopara o diâmetro do meu eixo?
R: Escolhendo o certocolar de travamento com fixação por parafusodepende da espessura do eixo (OD) e do tipo de rosca. Comece medindo a espessura do seu eixo e compare-a com o guia de tamanhos do fabricante. Pontos importantes a serem observados: o tamanho interno do colar precisa corresponder às roscas do eixo, ao tamanho do parafuso e à espessura do colar. Se o seu eixo não tiver rosca, você precisará adicionar roscas primeiro. Verifique sempre se as roscas são métricas ou imperiais – misturá-las causa dores de cabeça. Para eixos de tamanhos estranhos, existem colares personalizados, mas eles exigirão tempo e dinheiro extras.
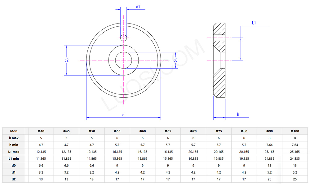
Nossos colares de travamento fixados por parafusos são feitos principalmente de aço carbono. Escolhemos este material porque possui boa tenacidade e resistência ao desgaste, o que pode atender às necessidades básicas de uso do produto.
Antes dos produtos saírem da fábrica, revestimos suas superfícies com uma camada antiferrugem. Este tratamento evita que as coleiras enferrujem quando são utilizadas em ambientes úmidos ou armazenadas por muito tempo.
Também temos materiais opcionais como aço inoxidável, para clientes que necessitam de melhor resistência à corrosão. A espessura do material do produto foi projetada com base nos requisitos padrão de suporte de carga, para que não se deforme ou quebre durante o uso normal.
A parte do parafuso é feita do mesmo material do colar, portanto todo o produto tem desempenho e estabilidade consistentes.
O custo de envio de nossos colares de travamento fixados por parafusos depende de para onde você os envia, do método de envio escolhido e de quantos pedidos.
Se você optar pela logística padrão, o custo é menor, mas a entrega demora um pouco mais – geralmente de 3 a 7 dias úteis. Para pedidos urgentes, você pode escolher a entrega expressa, mas isso custará mais. O custo extra exato depende da distância que a remessa deve percorrer.
Quando seu pedido atingir uma determinada quantidade, cobriremos os custos de envio para você. Cada produto é pequeno e leve, portanto, mesmo pedidos de pequenos lotes não terão taxas de envio muito altas.
Antes de enviarmos qualquer coisa, embalaremos as coleiras adequadamente para evitar danos durante o transporte. E esse custo da embalagem já está incluso no frete – você não precisa pagar a mais por isso.
Se você quiser saber o custo exato do frete, basta perguntar à nossa equipe de atendimento ao cliente. Eles calcularão com base nos detalhes específicos do seu pedido.
P: Qual é o MOQ e o prazo de entrega para o seu colar de travamento com fixação de parafuso, e você oferece descontos para pedidos em grandes quantidades?
R: A quantidade mínima de pedido (MOQ) para colar de travamento padrão com fixação de parafuso é de 300 peças, com prazo de entrega de 7 a 10 dias úteis para pedidos regulares. Para pedidos em grandes quantidades acima de 5.000 peças, oferecemos descontos diferenciados (3% a 10% de desconto) para reduzir seus custos de aquisição. O colar de travamento personalizado com fixação de parafuso tem um MOQ de 500 peças e um prazo de entrega de 12 a 18 dias úteis, incluindo validação de amostra e programação de produção.