Esses pinos rebitados da ONU para placa PCB são geralmente feitos de boas ligas de aço, como baixo carbono ou aço inoxidável, ou alumínio. Eles têm resistência mecânica sólida e resistem bem ao longo do tempo.
Os de aço oferecem maior resistência à tração e ao cisalhamento. Os de alumínio, por outro lado, conduzem bem a eletricidade e são leves.
O metal escolhido para esses pinos significa que eles podem suportar cargas mecânicas pesadas, estresse dos ciclos de aquecimento e resfriamento e permanecer fortes durante todo o tempo em que o produto estiver em uso.
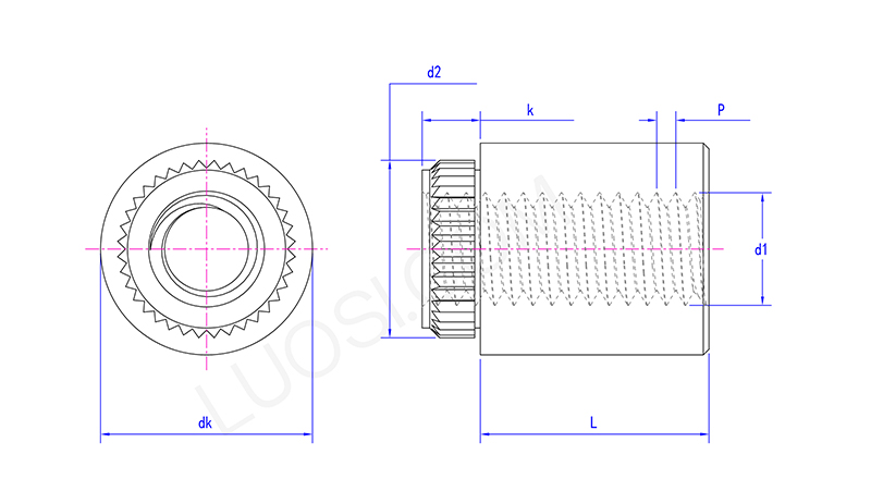
O pino rebitado ONU para placa PCB é um fixador permanente e de alta resistência usado para fornecer um ponto de fixação com rosca externa confiável em placas de circuito impresso (PCBs). Aqui, "UN" normalmente representa "Padrão Nacional Uniforme", referindo-se ao tipo de rosca padronizada que possui (como UNC ou UNF), o que garante sua compatibilidade com diversas porcas padrão.
O processo de instalação é rápido e eficiente. Insira o pino no orifício pré-perfurado na placa PCB. Em seguida, use uma ferramenta de rebitagem dedicada para deformar a extremidade plana do pino, fazendo com que ele se expanda para fora e se prenda firmemente entre a cabeça do rebite e o ressalto ou flange do pino, formando assim uma conexão forte e resistente à vibração, sem a necessidade de soldagem.
Este método é particularmente adequado para cenários que exigem suportar grandes tensões mecânicas, precisam passar por múltiplas operações de plug-in ou onde o calor gerado pela soldagem pode danificar componentes sensíveis.
Estes pinos rebitados da ONU para placa PCB são colocados usando um método de conformação a frio ou rebitagem.
Você enfia o pino em um orifício pré-perfurado no PCB. Em seguida, uma ferramenta de rebitagem especial dobra a haste do pino contra uma matriz sob a placa, criando uma trava permanente e alargada que o mantém no lugar.
O método de processamento a frio gera menos calor e não danifica o laminado ou circuito do PCB. Quando instalados corretamente, os pinos proporcionam uma fixação forte e resistente a vibrações sem comprometer a estrutura da placa de circuito.

| Mercado | Receita (ano anterior) | Receita Total (%) |
| América do Norte | Confidencial | 20 |
| Ámérica do Sul | Confidencial | 4 |
| Europa Oriental | Confidencial | 24 |
| Sudeste Asiático | Confidencial | 2 |
| África | Confidencial | 2 |
| Oceânia | Confidencial | 1 |
| Oriente Médio | Confidencial | 4 |
| Ásia Oriental | Confidencial | 13 |
| Europa Ocidental | Confidencial | 18 |
| América Central | Confidencial | 6 |
| Norte da Europa | Confidencial | 2 |
| Sul da Europa | Confidencial | 1 |
| Sul da Ásia | Confidencial | 4 |
| Mercado Interno | Confidencial | 5 |